2012年岩土工程师考试基础知识模拟试题:电工与电子技术(A3型题)

发布时间:2012-07-25 共1页

电工与电子技术(A3型题)
一、A3型题
(1-2题共用题干)
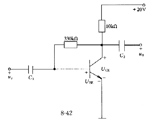
某放大电路如图42所示,已知三极管电流放大系数β=50,U=0.6V
1.静态时U等于(   )。



2.上题放大电路中,因元件参数改变,测得基极电流IB=60μA,而三极管的临界饱和基极电流为40μA,输出信号将出现(   )。



 
正确答案:1.D;2.C
 
(3-4题共用题干)
单相全波整流电路如图38所示,已知:R=80Ω,U=110V
3.忽略整流二极管的正向压降,电流表的读数最接近于(   )。



4.上题中,每个二极管所承受的最高反向电压U为(   )。



 
正确答案:3.A;4.B

百分百考试网 考试宝典

立即免费试用