发布时间:2012-07-25 共1页
| 一、单项选择题 |
| 1.堤防工程堤身压实作业中,土料含水率应控制在最优含水率的( )范围内。 |
| 正确答案:C |
|
|
| 2.某大型综合利用水利水电枢纽工程位于峡谷地区,基岩完整、坚硬、岸坡陡峻,该工程泄流的消能方式宜采用( )。 |
| 正确答案:B |
|
|
| 3.某水电枢纽工程位于峡谷地区,基岩完整、坚硬,岸坡陡峻,该工程上游围堰截流时,可采用( )。 |
| 正确答案:C |
|
|
| 4.穿堤闸施工前,在征得监理单位批准后,施工单位进行了补充地质勘探,由此产生的费用应由( )承担。 |
| 正确答案:C |
|
|
| 5.作用于主坝的偶然作用荷载是( )。 |
| 正确答案:A |
|
|
| 二、多项选择题 |
| 6.必须按照国家有关规定经过专门的安全作业培训,并取得特种作业操作资格证书后,方可上岗作业的特种作业人员包括( )等。 |
| 正确答案:BCDE |
|
|
| 7.凡从事工程( )的人员不得担任该工程的兼职质量监督员。 |
| 正确答案:BCDE |
|
|
| 8.根据水利水电工程施工安全有关规定,施工现场各作业区与建筑物之间的防火安全距离应符合下列( )要求。 |
| 正确答案:ACE |
|
|
| 9.投标单位的( )取得安全生产考核合格是进行水利工程建设施工投标所必备的基本条件。 |
| 正确答案:BCD |
|
|
| 10.均质土坝土料填筑压实参数主要包括( )。 |
| 正确答案:ABDE |
| 三、案例分析题 |
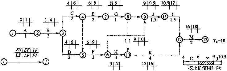
11.某水利水电工程项目的原施工进度网络计划(双代号)如图1F400000-1所示。该工程总工期为18个月。在上述网络计划中,工作C、F、J三项工作均为土方工程,土方工程量分别为7000m 、10000m 、6000m ,共计23000m ,土方单价为15元/m 。合同中规定,土方工程量增加超出原估算工程量25%时,新的土方单价可从原来的15元/m 下降13元/m 。合同约定每台施工机械闲置1天为800元,每月以30天计;C、F、J实际工作量与计划工作量相同。施工中发生如下事件: 事件1:施工中,由于施工单位施工设备调度原因,C、F、J工作需使用同一台挖土机先后施工。 事件2:在工程按计划进行4个月后(已完成A、B两项工作的施工),项目法人提出增加一项新的土方工程N,该项工作要求在F工作结束以后开始,并在G工作开始前完成,以保证G工作在E和N工作完成后开始施工。根据施工单位提出并经监理机构审核批复,该项N工作的土方工程量约为9000m ,施工时间需要3个月。事件3:经监理机构批准,新增加的土方工程N使用与C、F、J工作同一台挖土机施工 ![]() 图1F400000-1 问题: (1)在不改变各工作历时的情况下,发生事件1后,施工单位如何调整计划,使设备闲置时间最少,且满足计划工期要求? (2)按事件2新增加一项新的土方工程N后,土方工程的总费用应为多少? (3)土方工程N完成后,施工单位提出如下索赔: ①增加土方工程施工费用13.5万元; ②由于增加土方工程N后,使租用的挖土机增加了闲置时间,要求补偿挖土机的闲置费用2.4万元; ③延长工期3个月。 施工单位上述索赔是否合理?说明理由。 |
| 正确答案: (1)增加土方工程N后,土方工程总费用计算如下: ①增加N工作后,土方工程总量为: 23000+9000=32000m ![]() ②超出原估算土方工程量百分比为: ,土方单价应进行调整③超出25%的土方量为: 32000-23000×125%=3250m ![]() ④土方工程的总费用为: 23000×125%×15+3250×13=47.35万元 (2)在C、F、J三项工作共用一台挖土机时,将网络计划图1F400000-1调整为图1F400000-2。计算出各项工作的ES、EF和总工期(18个月)。因E、G工作的时间为3个月,与F工作时间相等,所以安排挖土机按C→F→J顺序施工可使机械不闲置。 ![]() (3)分述如下: ①施工单位提出增加土方工程施工费用13.5万元不合理。 因为原土方工程总费用为:23000×15=345000元=34.5万元。 增加土方工程N后,土方工程的总费用为47.35万元,故土方工程施工费用可增加47.35-34.5=12.85万元。 ②施工单位提出补偿挖土机的闲置费用2.4万元合理。 增加了土方工作N后的网络计划见图1F400000-3,安排挖土机C→F→N→J按顺序施工,由于N工作完成后到J工作的开始中间还需施工G工作,所以造成机械闲置1个月。应给予承包方施工机械闲置补偿费:30×800=24000元=2.4万元 ![]() 图1F400000-3 ③工期延长3个月不合理。 根据对原计划(不增加N工作)计算的工期为18个月(图1F400000-2),增加N工作后的网络计划计算的工期为20个月(图1F400000-3)。因此可知,增加N工作后,计算工期增加了2个月,因此,监理工程师应批准给予承包方延长工期2个月。 |