2012年一级建造师考试建筑工程习题集:网络计划技术的应用

发布时间:2012-07-25 共1页

网络计划技术的应用
一、单项选择题
1.工作D有三项紧前工作A、B、C,其持续时间分别为:A=3、B=7、C=5,其最早开始时间分别为:A=4、B=5、C=6,则工作C的自由时差为



 
正确答案:C 解题思路:分析:A工作的最早完成时间=3+4=7;B工作的最早完成时间=7+5=12;C工作的最早完成时间=5+6=11;D工作的最早开始时间=max{紧前工作最早完成时间};C工作的自由时差=紧后工作的最早开始时间-该工作的最最完成时间=12-11=1
2.工作A有四项紧后工作B、C、D、E,其持续时间分别为:B=3、C=4、D=8、E=8,LFB=10、LFC=12、LFD=13、LFE=15,则LFA为



 
正确答案:D 解题思路:B工作的最迟开始时间=10-3=7;C工作的最迟开始时问=12-4=8;D工作的最迟开始时间=13-8=5;E工作的最迟开始时间=15-8=7;A工作的最迟完成时间=min{紧后工作的最迟开始时间}=5
3.在绘制网络图进行项目分解时,应遵循(   )的指导原则



 
正确答案:A
4.工作总时差是指



 
正确答案:A
5.按最早时间绘制的双代号时标网络计划中的波形线是



 
正确答案:A
二、多项选择题
6.在工程网络计划中,关键工作




 
正确答案:AB
7.某分部工程双代号网络计划如下图所示,其作图错误包括(   )




 
正确答案:ADE
8.网络计划的逻辑关系分为




 
正确答案:BD
9.在网络计划的应用程序中的准备阶段,包括(   )步骤




 
正确答案:BDE
10.网络图的排列方式可以




 
正确答案:ABCE
三、案例分析题
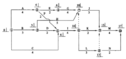
11.某建设工程合同工期为17个月,承包商编制的初始双代号网络计划如图所示。

【问题】
1.由于工作A、I、J均为土方工程而必须使用同一台挖土机顺序施工,则该施工计划应如何调整?
2.调整后的进度计划能否满足合同工期的要求?挖土机在现场闲置时间为多少?
3.如果监理工程师批准了调整后的施工进度计划,承包商按该计划执行2个月后,业主提出增加一项新的工作P。根据施工工艺要求,工作P必须安排在工作A完成之后开始,并在工作I开始之前完成。经过监理工程师确认,工作P的持续时间为2个月,试绘制相应的双代号网络计划,并确定其计算工期。
4.根据上述问题3所给条件,承包商能否向监理工程师提出工程延期2个月及挖土机闲置补偿2个月的索赔申请?为什么?
5.当增加工作P后,承包商按调整后的进度计划实施时,由于业主原因使工作G拖延
0.5个月,承包商自身原因使工作H拖延4个月,公网停电使工作I拖延1个月,事后承包商在合同规定的有效期内提出工程延期申请,请问承包商能够获得工程延期多少时间?为什么?
6.根据上述问题5所给条件,假设后续工作均按计划进度实施,该工程实际工期为多长?如果工作H所拖延的时间是由于与承包商签订了供货合同的材料供应商未能按时供货而引起的话(其他条件同上),请问承包商可以向业主索赔工期多长时间?为什么?
 
正确答案:
1.调整的计划如图所示,挖土机施工顺序为A-I-J可满足要求。

2.调整后的进度计划,计算工期为17个月,满足合同工期的要求。
挖土机在现场闲置时间为:
A-I  ES-EF=(5-4)天=1天
I-J  ES-EF=(10-9)天=1天
合计闲置时间为2天。
3.增加工作P后,双代号网络计划如图所示。

增加工作P后,计算工期仍为17个月。
4.如果承包商提出工程延期2个月的索赔申请,监理工程师应不予批准,因增加P工,作并未导致计算工期的延长,故承包商仍应按原计划工期完成。
如果承包商提出因增加工作P增加挖土机闲置2个月补偿费的索赔申请,监理工程师应不予批准,因未增加工作P的原计划中挖土机械闲置时间为2个月,增加工作P后,机械闲置时间仍为2个月。即
A-I  ES-EF=(6-4)天=1天
I-J  ES-EF=(10-10)天=0天
故机械闲置时间并未增加。
5.由于业主原因和不可抗力使工作时间拖延导致总工期延长的,监理工程师应批准工期延期,由于承包商原因使工作时间拖延导致总工期延长的,监理工程师不批准延期。根据以上原则,监理工程师应批准的工程延期计算如图所示。

批准工程延期:(18-17)月=1月
6.根据问题5所给条件,该工程实际工期为19个月,如图所示。

如果工作H所拖延的时间是由于与承包商签订供货合同的材料供应商未按要求供货而引起的,监理工程师应批准的工程延期仍为1个月,因监理工程师处理索赔事宜不应以承包商与材料供应商的供货合同为依据,承包商的损失应向供货单位进行索赔。

百分百考试网 考试宝典

立即免费试用